TQMa95xxSA - YOCTO Linux BSP documentation
CAN
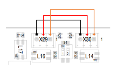
The MB-SMARC-2 provides two CAN interfaces: CAN0 on X29 and CAN1 on X30.
CAN configuration
DIP switch S4 is used to configure CAN0 and CAN1.
| Function | S4-1 | S4-2 |
|---|---|---|
| CAN-Bus not terminated | OFF | OFF |
| not defined (illegal state) | OFF | ON |
| not defined (illegal state) | ON | OFF |
| CAN-Bus terminated with 120 Ohm | ON | ON |
CAN Loopback
CAN Loopback Test
CAN0 -> CAN1
candump can0& cansend can1 5A1#11.2233.44556677.88
CAN1 -> CAN0
candump can1& cansend can0 5A1#11.2233.44556677.88