TQMa6x - YOCTO Linux BSP documentation
CAN
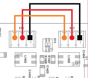
The MBa6x provides two CAN interfaces: CAN0 and CAN1.
CAN configuration (S13)
DIP switch S13 is used to configure the CAN interfaces CAN1 and CAN2.
| DIP | OFF (default) | ON |
|---|---|---|
| S13-1 | CAN0 not terminated | CAN0 interface terminated (120Ω) |
| S13-2 | CAN1 not terminated | CAN1 interface terminated (120Ω) |
CAN Loopback
CAN Loopback Test
CAN0 -> CAN1
candump can0& cansend can1 5A1#1122334455667788
CAN1 -> CAN0
candump can1& cansend can0 5A1#1122334455667788